金星C7458电源,TDA4605原理介绍

金星C7458电源
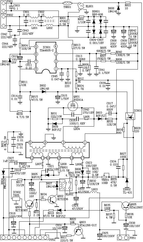
输入电路:
220V交流电经L801、L802两级滤波后滤除电网中的干扰信号,然后送到BD801全波整流,经C808、C809滤波后得到300V左右的直流电压,作为开关电源的工作电压。L801和L802及输入电路中的电容,同时还有防止开关电源的脉冲信号串入电网而污染电源的作用。
开关电源的振荡:
开关电源的振荡芯片采用TDA4605-2,,该电路能完成开关电源的振荡、稳压及各种保护。
220V交流电压经BD801整流、R804限流、C810滤波后,得到10V左右的电压,加到IC801的(6)脚,作为开关电源的起动电压。IC801开始振荡,从(5)脚输出振荡脉冲,经R813加到开关管Q801的栅极,开关变压器各绕组开始输出电压,完成起动过程。IC801(5)脚输出的振荡脉冲频率,与负载的轻重有关。
开关电源的稳压:
TDA4605-2的(1)脚为误差放大取样电流输入端。开关变压器的(5)脚绕组输出的电压,其中一路经D802整流、C815滤波,再经R824+R812与R810分压后送到IC801的(1)脚,同时光耦IC803内部的三极管的C、E极是并联在R824上的,因而IC803内部的三极管的导通程度影响了(1)脚输入电流的大小,而光耦内部的发光二极管是经RR825、VR801、R826、R827,在主电源输出电压120V上取样的,这样就构成了一个稳压控制回路,调节VR801,可使输出电压控制在120V上。
保护电路:
市电过压保护:
IC801的(2)脚经R807+R808与300V直接相连,若电网电压太高,则300V也必然升高,一旦IC801的(2)脚电压大于3V,则内部保护电路动作,(5)脚无激励脉冲输出,开关电源停振。
市电欠压保护:
若电网电压太低,则C808、C809正极的电压也低,经R840+R805与R806分压后的电压也低,一旦IC801的(3)脚电压低于1.8V,则内部欠压保护电路动作,(5)脚无激励脉冲输出,开关电源停振。
开关电源输出过压保护:
由于某种原因使开关电源输出电压太高,造成开关变压器(5)脚输出的电压经D801整流后,加到IC801的(6)脚电压抬高,一旦IC801的(6)脚电压大于18V,其内部电路将自动切断(5)脚的激励输出脉冲,使开关电源停振。
开关电源过载保护:IC801的(5)脚内部有驱动功率检测电路,一旦负载过载或短路,造成(5)脚驱动功率过大,其内部保护电路动作,(5)脚无激励脉冲输出,开关电源停振。
TDA4605-2的(8)脚内部还有"过零检测电路",简单地说,(8)脚通过R811、R815检测开关变压器(5)脚的输出脉冲,一旦检测不到连续的脉冲或检测到的脉冲幅度太小,过零检测电路会使(5)脚无激励脉冲输出。
TDA4605-2的(7)脚为软起动积分电容输入端,外接积分电容C811,开机时利用C811的充电,可实现开关电源软起动。
输出电路:
开关变压器的(16)、(18)绕组输出电压经D806整流、C833滤波后得到120V直流电压,作为行扫描工作电压,同时也作为取样电压,经R825、VR801等加到光耦IC803。在待机时,继电器RL802断开,因而行扫描电路无120V供电。
开关变压器的(14)、(15)绕组输出电压经D805整流、V820滤波后,得到12V电压,作为行振荡供电电压,在待机时,继电器RL802断开,行振荡供电电压被截断,行振荡停振。另外,12V电压还经IC802稳压,得到5V电压,为CPU供电电压。
开关变压器的(12)、(13)绕组输出电压经D804整流、V818滤波后,得到24V电压,该电压为伴音功放电路供电电压。





