6D90机芯电路原理图
6D90机芯电路原理图:
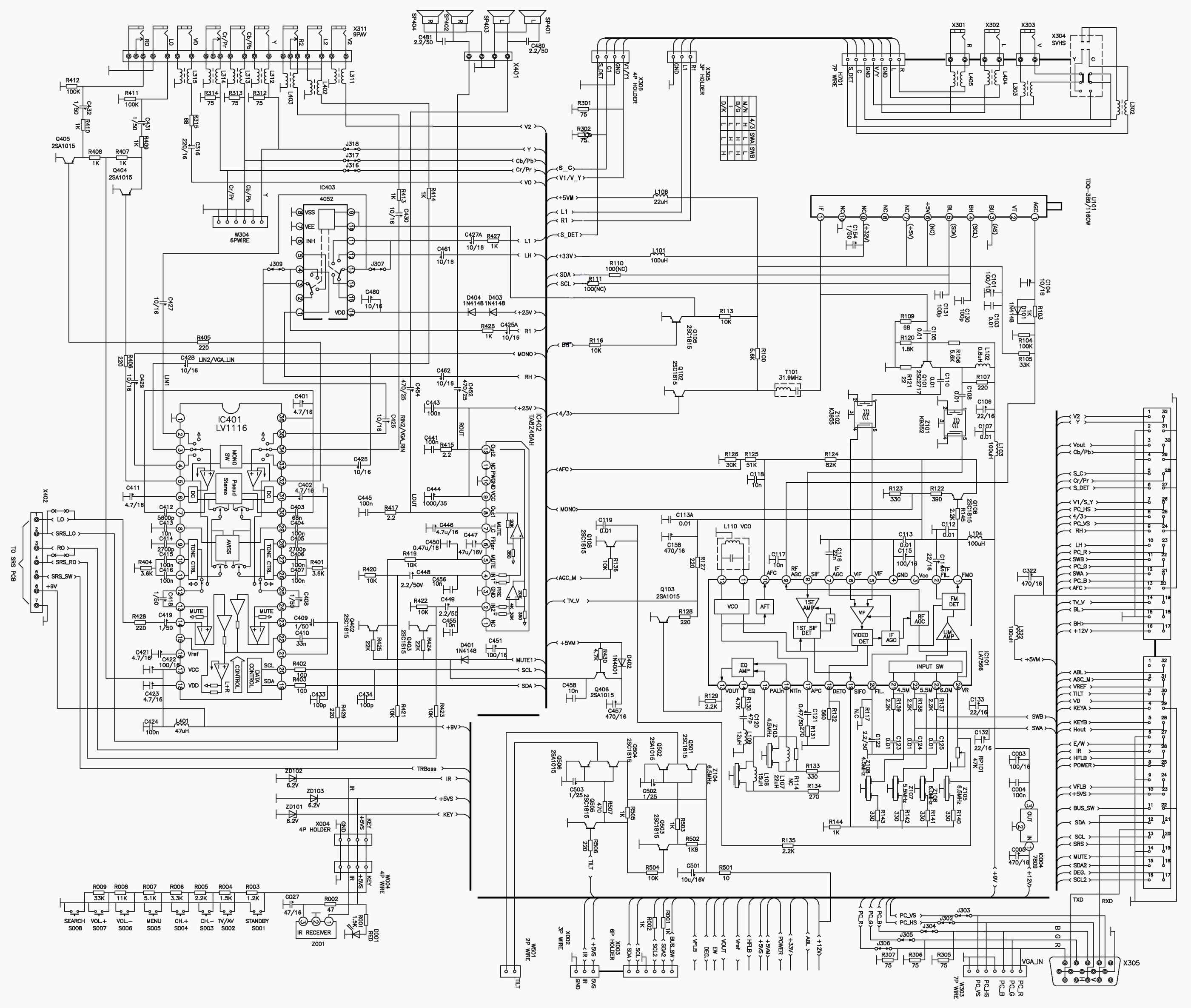
6D90机芯的电源板、视放板电路图与6D95、6D96机芯完全相同,只是主板不同而已,同时该机芯的CPU是集成数字板上,以下是该机芯的主板电路图:
6D90机芯的电源板、视放板电路图与6D95、6D96机芯完全相同,只是主板不同而已,同时该机芯的CPU是集成数字板上,以下是该机芯的主板电路图:

上一篇:6D92/6D91机芯电路原理图[ 04-03 ]
下一篇:6D76、6D78机芯数字板电路图[ 05-30 ]
发表评论:





