6D95/6D96机芯电路原理图

文章来源:本站原创 作者:skyisa 发布时间:2005年04月03日 字号:

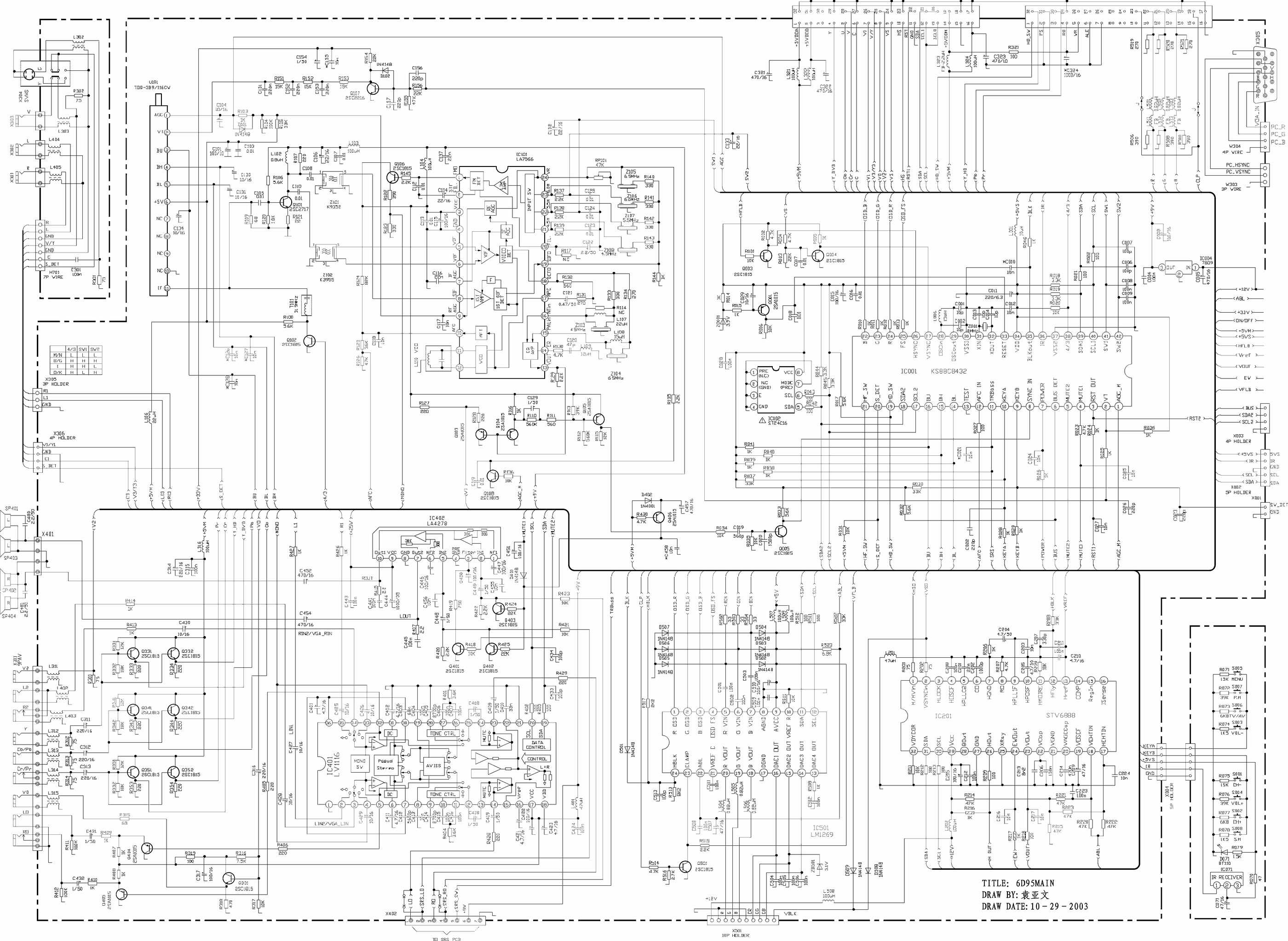
6D95/6D96机芯电路原理图:
这两个机芯主板电路图与电源板电路图完全一样,只是数字板与相关的CPU软件不一样:

主板电路图:

电源板电路图:


 点击浏览该文件

视放板电路图:早期的视放板电路图见下图:后期的改用为下一篇6D91机芯视放板电路图:


 点击浏览该文件

发表评论: