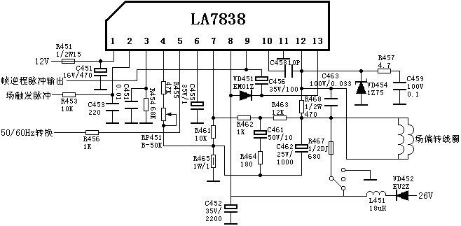
LA7838场扫描功放典型应用电路图

LA7838(LA7837也可参考此电路,两者的区别仅在于输出电流不同)
1脚:9.2V——VCC1电源
2脚:4.8V——垂直触发输入端
3脚:4.8V——单稳多谐振荡时间常数设定端
4脚:4.8V——场幅控制端
5脚:0.5V——50/60HZ转换场幅稳定控制端(50HZ:L 60HZ:H)
6脚:4.8V——锯齿波电压形成端
7脚:4.6V——场输出交、直流反馈输入端
8脚:24.5V——VCC2电源
9脚:1.9V——泵电源输出端
10脚:1.5V——防自激负反馈输入端
11脚:0V——地
12脚:15V——场扫描输出端
13脚:24V——场输出电源
上一篇:LA7833场扫描功放典型应用电路图[ 09-03 ]
下一篇:LA7841场扫描功放典型应用电路图[ 09-03 ]
发表评论:





