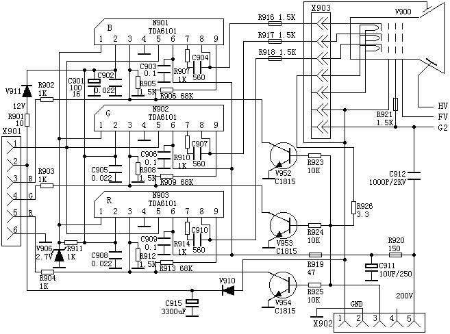
TDA6101组成的彩电视放典型应用电路图

TDA6101为宽带视频放大电路,视频带宽达9MHz,一般用于较高档的机型中。
1脚:2.7V——基准电压
2脚:12V——电源
3脚:2.6V——信号输入端
4脚:0V——地
5脚:6.7V——暗电流信号输出
6脚:200V——电源
7脚:130V——交流信号输出
8脚:130V——直流信号输出
9脚:130V——反馈输出
上一篇:TDA5112组成的彩电视放典型应用电路图[ 09-03 ]
下一篇:TDA6103组成的彩电视放典型应用电路图[ 09-03 ]
发表评论:





