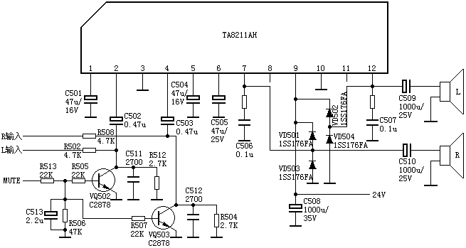
TA8211AH伴音功放电路典型应用电路图

该电路摘自长虹C2588形彩电
1脚:2.1V——左声道负反馈外接电容
2脚:2.2V——左声道信号输入
3脚:0V——地
4脚:2.2V——右声道信号输入
5脚:2.1V——右声道负反馈外接电容
6脚:8.2V——电源滤波
7脚:12V——右声道信号输出
8脚:2.2V——空
9脚:24V——电源
10脚:0V——地(功放)
11脚:2.2V——空
12脚:12V——左声道信号输出
上一篇:LA4287伴音功放电路典型应用电路图[ 09-03 ]
下一篇:TA8218AH伴音功放电路典型应用电路图[ 09-03 ]
发表评论:





