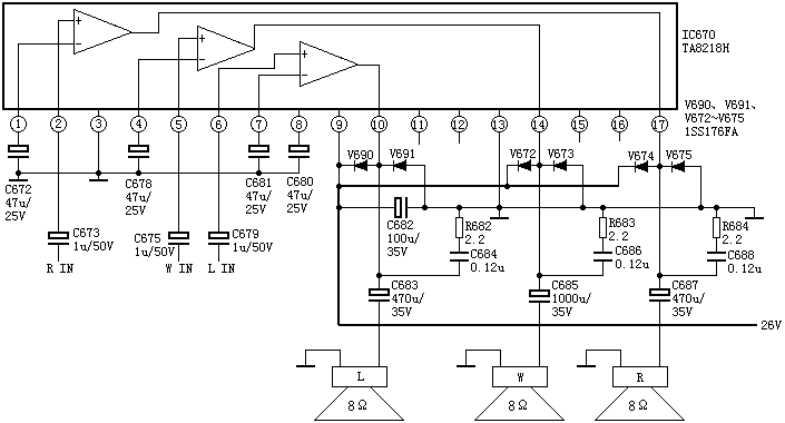
TA8218AH伴音功放电路典型应用电路图

TA8218AH引脚功能及参考电压:
1脚:1.9V——反向输入端
2脚:2.1V——R路音频信号输入端
3脚:0V——地
4脚:1.9V——反向输入端
5脚:2.1V——重低音音频信号输入端
6脚:2.1V——L路音频信号输入
7脚:1.9V——反向输入端
8脚:8.9V——滤波
9脚:26V——电源
10脚:13V——L路音频信号输出
11脚:4.7V——静音
12脚:4.5V——空
13脚:0V——地
14脚:13V——重低音信号输出
15脚:5.0V——空
16脚:4.6V——静音
17脚:13V——R路音频信号输出
上一篇:TA8211AH伴音功放电路典型应用电路图[ 09-03 ]
下一篇:TDA1013B伴音功放电路典型应用电路图[ 09-03 ]
发表评论:





