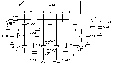
TDA2616伴音功放电路典型应用电路图

TDA2616引脚功能及参考电压:
1脚:10V——信号输入1
2脚:5V——静噪(低电平静噪)
3脚:10V——1/2基准电压
4脚:10V——信号输出1
5脚:0V——地
6脚:10V——信号输出2
7脚:20V——电源
8脚:10V——负向输入端
9脚:10V——信号输入2
上一篇:TDA2009伴音功放电路典型应用电路图[ 09-03 ]
下一篇:TDA7057伴音功放电路典型应用电路图[ 09-03 ]
发表评论:





