金星C7428电源电路原理介绍
C7428电源采用宽电压设计,能适应110V-245V的电网电压,与东芝2500XH电源极为相似。
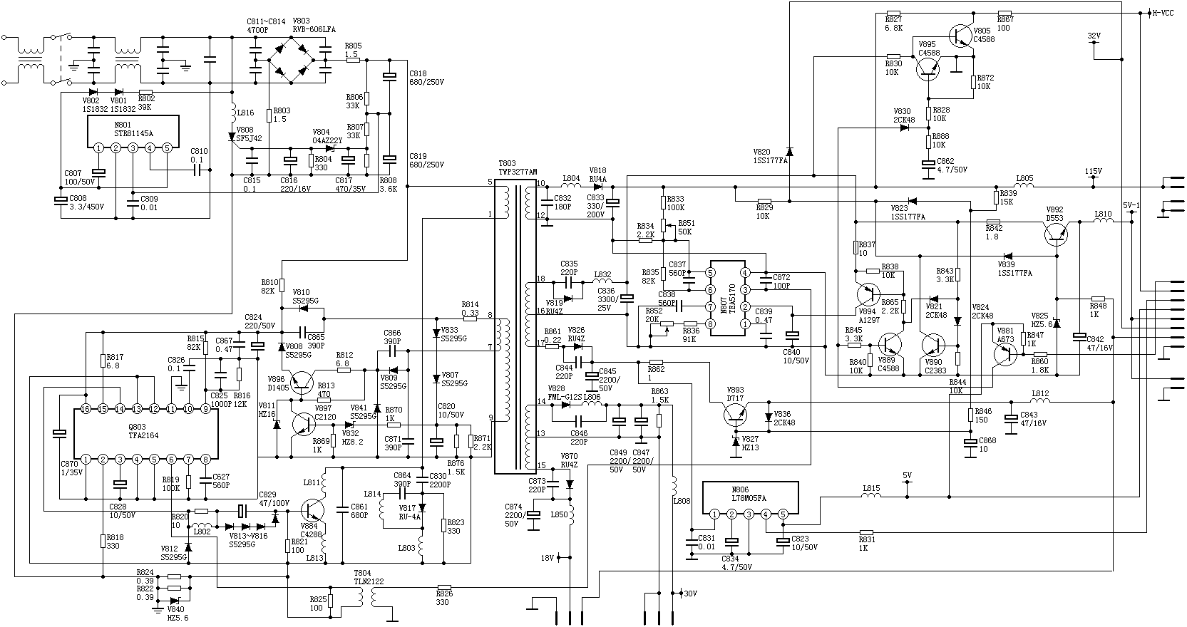
电网输入切换变换电路
为了适应110V-245V的电网电压,该电源设计成倍压整流/桥式整流自动切换。在电网电压低于145V时,采用倍压整流;当电网电压高于145V时,采用桥式整流。
电网输入电压经低通滤波后,首先经V801、V802整流,在C808上得到识别电压,加到STR81145的(2)、(5)脚,若电网输入电压低于145V,则C808两端的电压较低,STR81145的(2)、(3)脚接通,此时V803与C818、C819构成倍压整流,C818、C819电压叠加后得到285V左右的电压;若电网输入电压高于145V,则C808两端的电压较高,STR81145的(2)、(3)脚断开,此时V803与C818、C819构成桥式整流,C818、C819电压叠加后得到250V以上的电压。
为防止STR81145误识别,电路中设有过压保护电路,在正常情况下,R808两端的电压低于22V,V804截止,可控硅V808也截止,若输出电压过高,R808两端的电压超过22V时,V804导通,V808也导通,保险丝烧毁。
振荡过程
300V直流电压经R810加到Q803的(16)脚,Q803开始振荡,从(14)脚输出激励脉冲到开关管V884的B极,开关电源开始工作,此时,T803(8)、(9)绕组上的感应电压经V810整流、C824滤波,产生12V电压给Q803的(16)脚供电。同时,经V833、V807整流、C820滤波,C820正端的电压使V832导通,V897导通,V896截止。
在待机状态,N807停止工作,依靠Q803本身的脉冲宽度调制发生电路,(14)脚仍有激励脉冲输出,但此时的开关电源振荡频率降为30HZ,各绕组的输出电压也降为原来的一半左右,C820正端的电压不足以使V832导通,这样,V897截止,V896导通,由V896继续为Q803(16)脚供电,而V896的电压来源是T803的(7)脚经V809整流得到的,(7)、(9)绕组比(8)、(9)绕组多一倍,因此在待机状态V896仍能输出12V电压供应O803的(16)脚。另外,Q803的(16)脚电压经R815、R816分压得到3.3V电压,送到Q803的(9)脚,以监视(14)脚激励脉冲的宽度,以保证在待机状态Q803仍具有稳压作用。
C829为V884的激励脉冲输入耦合电容,在V880饱和状态,C829被充电,充电的结果是C829左正右负;在V884截止状态,Q803(14)脚的负脉冲使V812导通,于是C829右端的负电压加到V884的B极,以维持V884的截止。V813-V816的作用是保证C829两端的电压在2.4V左右。
稳压电路
C7428的稳压电路是靠N807(TEA5170)来完成的。115V电压经R833、R851、R834取样后送到N807的(5)脚,经内部基准比较放大后去控制(3)脚输出的脉冲宽度,(3)脚输出的脉冲经T804耦合,送到Q803的(6)脚,通过Q803调节(14)脚输出的脉冲宽度来控制输出电压的稳定。TEA5170的(7)脚为振荡脚,通过对C838的充、放电,产生32KHZ、1V峰-峰的锯齿波信号。
待机控制电路
在待机状态,CPU的POWER输出高电平,经R860加到V881的B极,V881截止,V889截止,V894截止,使TEA5170的(2)脚供电被切断。另一方面,V881截止引起V830截止,V895截止,V805导通,行振荡电路供电被切断。





