索尼SONY G3F-K电源电路原理介绍
SONY G3F-K属于贵丽单枪系列机芯,主要有:KV-K25MF1、KV-K25MF11、KV-F25MF1、KV-F25MW11、KV-F25MN31、KV-K29MF11、KV-K29MH11、KV-F29MF1等。
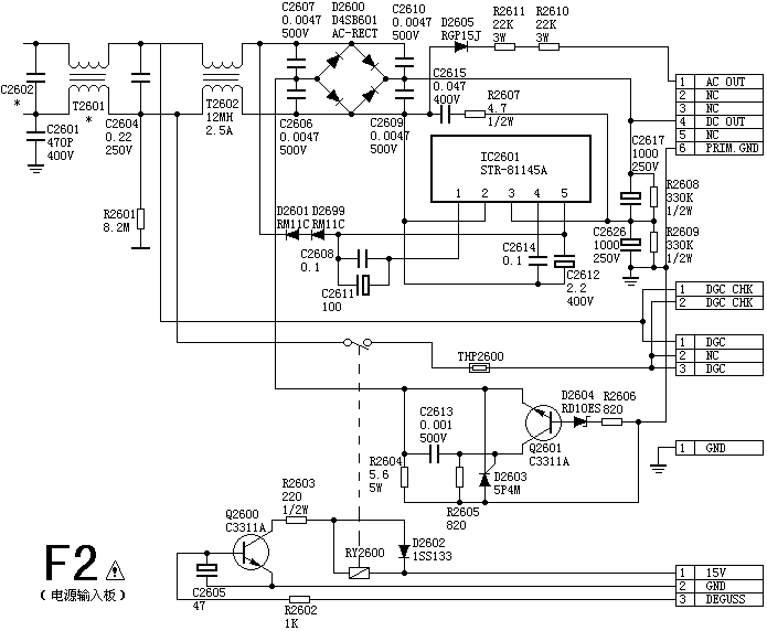
该部分为电网输入电压变换电路,关于STR-81145A的工作原理请参见金星C7428电源。开关电源振荡部分见SONY G3F-K电源-2。

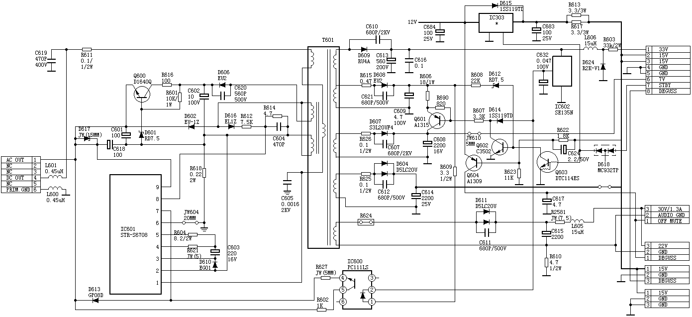
SONY G3F-K电源采用STR-S6708厚膜电路,关于STR-S6708的工作原理,请参考金星D2902电源。

上一篇:索尼SONY F29丽音王系列机芯电路原理介绍[ 09-02 ]
下一篇:索尼SONY KV2184电源电路原理介绍[ 09-02 ]
发表评论:





