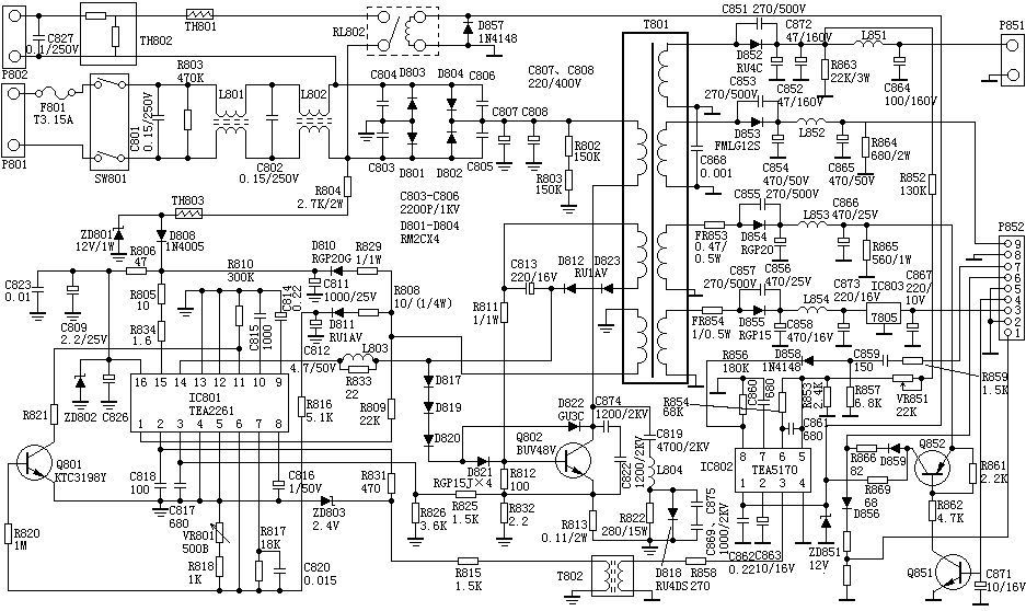
金星C6458电源电路原理介绍
金星C6458采用的是它激式开关电源,振荡电路采用TEA2261。
振荡过程:
220V交流电经R804、TH803降压、ZD801稳压后得到12V左右的电压,经D806、R806送到IC801的(16)脚,作为IC801的振荡起动电压,当(16)脚电压大于10.3V时,电路开始振荡,从(14)脚输出激励脉冲,经D817、D819~D821加到开关管Q801的基极,正300V直流电压加在开关变压器的(1)脚,Q801的集电极接开关变压器的(3)脚,(1)、(3)脚间产生交流脉冲电压,这样,开关变压器各绕阻开始输出电压。
稳压过程:
1、待机状态:
TEA2261在待机状态时的输出电压受以下两方面的影响:一是经D811、R816送到(6)脚的电压,TEA2261(6)脚内部有一电压比较器,比较器的基准电压是2.49V,当(6)脚输入电压大于2.49V时,比较器输出负电压,反之,当(6)脚输入电压小于2.49V时,比较器输出正电压;另外,TEA2261的(10)、(11)脚和外接的R810、C815组成RC振荡电路,比较器输出的电压和RC振荡器输出的锯齿波一起加到内部的脉冲调制器,比较器输出的电压,能控制脉冲调制器输出的脉冲宽度,从而控制了(14)脚输出的脉冲,也就控制了开关电源的输出电压。
另一方面,由D811输出的电压经R816和R818、VR810分压,送到Q801的基极,经Q801放大后接IC801的(11)脚,以控制RC振荡器的荡器频率,调节VR810就能调节(14)脚输出脉冲的频率,因而能控制输出电压。
2、开机状态
开机状态,TEA2261的振荡频率由(2)脚输入的脉冲来决定。在开机状态时,CPU的(58)脚输出高电平,此高电平加到Q851的基极,Q851饱和导通,Q852也导通,从Q852的集电极输出12V电压,此12V电压一方面送到TA8659的(40)脚,作为行振荡起动电压,行扫描电路开始工作,另一方面经R869加到IC802的(2)脚,IC802开始工作。
IC802的(5)、(6)脚内部是一个电压比较器,比较器的基准电压是2V,开关电源的主电源电压+B(130V),经VR851、R852和R853分压后加到IC802的(5)脚,和比较器的基准电压比较后,输出一个控制电压。IC802的(7)、(8)脚内部是一个锯齿波振荡器,由灯丝绕组上取得的行脉冲经R859、C859、D858送到IC802的(8)脚,从而使(8)、(9)脚内部振荡器的振荡频率等于行频,振荡器输出的锯齿波经脉宽控制器、逻辑变换后,从(3)脚输出方波信号,电压比较器输出的控制电压可以控制(3)脚输出方波信号的宽度,因而可以通过调节VR851来调整输出电压的大小。
IC802输出的方波信号经T802隔离后送到IC801的(2)脚,以控制IC801(14)脚输出的脉冲宽度,也就是控制开关电源的输出电压。
保护电路:
1、过压保护:
TEA2261的(16)脚电压不能大于15.7V,当电源电压输出过高时,开关变压器(8)、(9)绕组输出的电压也必定升高,当该电压经D811整流、C811滤波后得到的电压大于15.7V时,TEA2261(14)脚输出的脉冲被关闭,开关电源无电压输出。这时,即使(16)脚电压降回到15.7V以下,(14)脚仍无脉冲输出,一定要将电源关闭,重新起动后再次检测(16)脚的电压,如小于15.7V电源才会重新工作。
2、欠压保护:
当TEA2261的(16)脚电压小于7.4V时,内部欠压保护电路动作,(14)脚输出的脉冲被关闭,重新起动时后再次检测(16)脚的电压,如大于7.4V电源才会重新工作。
3、过流保护:
开关管的发射极上接有R822和R832作为电流取样电阻,发射极上流过的电流在R822和R832上产生取样电压,此电压经R812和R831分压后,被送到TEA2261的(3)脚,此时TEA2261有两个门限:
第一个门限是当(3)脚电压大于0.6V时,(8)脚外界电容C816被充电,当C816上的电压被充到2.25V时,内部过流保护动作,(14)脚输出的脉冲被关闭,开关电源无电压输出,但如果C816上的电压还未被充到2.25V之前,(3)脚电压跌回0.6V以下,则C816会放掉被充上的电压,保护也就不会产生,这主要是防止开机瞬间,开关管充电电流过大时会引起的保护电路误动作。
第二个门限是当(3)脚电压大于0.9V时,过流保护电路立即动作,开关电源无输出。
4、磁饱和保护:
开关变压器一旦进入磁饱和,会引起电流急剧上升,开关管V802会损坏。经开关变压器(8)、(9)绕组取样,经R816向TEA2261的(1)脚送入取样电流,当(1)脚电压超过0.15V时,磁饱和保护电路动作,开关电源停止工作。





